產品介紹
無影光源
環形無影光源
YRPN系列- 特點
- 1. 消除反光干擾
- 2. 提供高亮度,高均勻漫射照明
介紹
一、應用領域:弧面產品表面缺陷檢測、標籤字元讀取、小五金件定位、識別等二、LED發光顏色:●紅色 ●綠色 ●藍色 ○白色
三、型號解析
四、產品參數
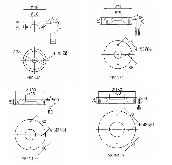
五、外形尺寸(mm)
.JPG)
| YRPN | 100 | R |
| 型號 | 外徑尺寸 | 顏色 |
四、產品參數
| 項次 | 型號 | 電壓V | 額定功率W-紅 | 額定功率W-白.藍.綠 | 外徑×內徑×高度(mm) |
| 1 | YRPN48 | 24 | 2.2 | 3.8 | 48x10x18.5 |
| 2 | YRPN74 | 24 | 3.6 | 6.3 | 74x20x18 |
| 3 | YRPN100 | 24 | 7.4 | 9.7 | 100x35x18 |
| 4 | YRPN120 | 24 | 9.9 | 12.7 | 120x45x18 |
| 5 | YRPN150 | 24 | 15 | 20.2 | 150x60x24 |
五、外形尺寸(mm)